
화학 물질의 최적 복용량을 결정하십시오
하수를 처리하기 위해 응집을 사용하면 최적의 응집제와 최적의 복용량이 있습니다. 응집제의 최적 복용량은 하수 응집 처리에 중요한 기술적, 경제적 중요성을 갖는 확립 된 수질 표적을 달성하기 위해 응집제의 최소 복용량을 나타냅니다. 일반적으로 최적의 복용량은 실험실 시뮬레이션과 현장 방법을 결합하여 결정됩니다. 비이커 교반 테스트, 전위차 분석, 콜로이드 적정 및 여과의 4 가지 주요 실험실 시뮬레이션 방법이 있습니다.
많은 수의 영향 요인으로 인해, 데이터는 일반적으로 응집 비이커 교반 실험을 통해 얻어진다. 시험에는 세 가지 단계가 포함됩니다 : 빠른 교반, 느린 교반 및 정적 퇴적 : 첨가 된 응집제는 급격한 교반 후 신속하게 분산되고 물 샘플에서 콜로이드 입자와 접촉하고 콜로이드 입자가 자막을 생성하고 미세 플록을 생성하기 시작합니다. 천천히 교반을 통해, 미세 플록은 서로 더 접촉하여 더 큰 입자로 자랍니다. 교반을 중지 한 후, 형성된 콜로이드 응집체는 자연적으로 중력에 의해 비이커의 바닥에 정착된다. 응집 퇴적, 상청액 탁도, CODCR, 색도, pH 값 등과 같은 응집 효과의 포괄적 인 평가를 통해 적절한 응집 품종 및 최적의 복용량이 결정됩니다. 시험 중에 원수와 실제 수질은 정확히 동일해야하며, 응집제, 복용량, 첨가 서열 및 유압 조건 (주로 응고 중 교반 정도 및 응집 반응 시간 (혼합 시간 제외)은 동일하거나 가까워 야합니다.
다음은 비이커 응고 퇴적 실험에서 응고제의 최적 복용량을 결정하기위한 특정 작동 방법입니다.
사용 된 장비 : 비이커, 응고 시험 교반기, 측정 실린더, 원수 샘플, 탁도 측정기, pH 값, 온도계;
원수 특성 (예 : 탁도, pH 값, 온도 등과 같은 물 샘플)을 결정하고 기록하십시오.
6 1000 ml 비이커를 가져다가 같은 양의 원수 샘플로 채우십시오.
6 개의 비이커를 응고 시험 교반기의 고정 된 위치에 놓고 6 개의 믹싱 컵에 대해 다른 속도와 시간을 설정하십시오.
피펫을 사용하여 투여 튜브에 미리 준비된 동일한 양의 응고제를 차례로 추가하고 교반기를 시작하십시오.
혼합이 완료된 후, 교반기를 끄고 다른 혼합 컵에서 정적 퇴적물에서 명반 꽃의 형성을 관찰하고;
10 분 후, 6 컵의 상청액의 30-50 ml를 50ml 주사기 (피펫)로 뽑아 500ml 믹싱 컵에 넣을 수 있습니다.
탁도 측정기의 6 컵의 다른 탁도를 즉시 측정하고 기록하고 비교하십시오.
가장 탁도를 가장 작은 복용량 선택으로 사용하여 비이커를 가져 가십시오.
물론, 응고제의 복용량을 결정하는 방법에는 여러 가지가 있습니다. 친구들은 또한 의견 영역에서 논의하고 모든 사람이 배우기 위해 생각하는 가장 단순하고 제한된 방법을 적어 볼 수 있습니다.
복용량 계산과 관련하여 가장 편리한 방법은 유사한 수질을 가진 건축 된 하수 처리장의 데이터를 참조하고 전자를 기반으로 적절한 조정을하는 것입니다.
응고제 복용량 계산 : t=aq/1000
t -- 일일 응고제 복용량 (kg/d)
a -- 단위 응고제의 최대 복용량 (mg/l)
Q -- 매일 처리 된 수량 (M3/D)
고체와 액체 응고제의 차이
시약의 고체 및 액체 상태에 따르면, 투약 방법은 건조 투약 및 습식 투여로 나눌 수있다.
PAC를 예를 들어, Solid PAC의 사용은 시약 저장에 편리하며 저장 탱크가 차지하는 영역을 줄입니다. 그러나 다음과 같은 단점도 있습니다.
하수 처리장의 근로자 수를 증가시키고 노동 강도는 비교적 높습니다.
고체 시약을 풀고있는 동안, 용해 탱크에 짠 가방의 잔해를 피하기가 어렵 기 때문에 파이프 막힘이 발생합니다.
시약과 물은 고르지 않게 혼합 될 수 있으며, 응고 효과는 영향을받습니다.
저장 및 취급 프로세스는 투약실의 위생 환경에 큰 영향을 미칩니다.
액체 PAC의 추가는 위의 일부 단점 중 일부를 극복하고 인력을 절약하며 위생 조건이 우수하며 비용이 낮아질 수 있습니다. 그러나 액체 응고제의 첨가에는 복잡한 투약 시스템, 넓은 면적 및 장비의 쉬운 부식과 같은 문제가 있습니다.
따라서이를 개선하기 위해 특정 조치를 취해야합니다.
통합 투약 시스템을 사용하십시오. 즉, 바닥 공간을 줄이기 위해 공간의 용해, 교반, 정량적 제어, 투약 및 기타 부품의 조합을 최적화합니다. 예를 들어, 액체 저장 탱크는 바닥에 배치되고 용해제 및 교반 장치가 상단에 배치되고 플랫폼은 액체 저장 탱크 위의 빈 공간에 설치됩니다. 정량적 제어 및 투약 장치는 플랫폼에 배치되어 장비의 바닥 공간을 크게 줄일 수 있습니다.
용해제 교반 장비에는 패들 교반기가 사용되며 배플과 가이드 튜브가 장착되어 있습니다. 교반 용액의 전체 회전을 제거하고, 축 방향 및 방사형 흐름을 강화하고, 난기류를 증가시키고, 교반 효과를 향상 시키며, 용해 효율을 향상시키는 데 사용됩니다.
특정 방지 조치를 취하십시오. 교반 부분의 경우 에폭시 프라이머 및 에폭시 탑 코트를 적용 할 수 있습니다. 에이전트가 매우 부식성이라면, 유리 섬유, 고무 및 에나멜과 같은 항 경관 재료를 사용할 수 있습니다. 투약 파이프의 경우 플라스틱 파이프 또는 고무 파이프가 투여 량에 따라 사용됩니다.
투약 방법의 선택
마찬가지로, 투약 방법은 또한 건조 투약 및 습식 투여로 나뉩니다.
드라이 투여는 측정 및 제어하기가 어렵고 규제 성능이 좋지 않습니다. 주로 건식 투약 기계를 사용하여 고체 제를 물이나 용해 된 용기에 직접 넣은 다음 물에 넣습니다.
습식 투여는 고위급 용액 풀에서 중력 투약으로 나눌 수 있으며, 펌프 앞에 투여, 물 배출기에 의해 투여, 워터 펌프에 의한 투여 및 기타 여러 형태의 중력 투여 량으로 나눌 수 있습니다.

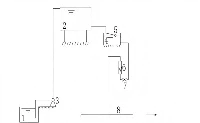
(1) 중력 투약
액체 의학은 고위급 용액 풀에서 흘러 나오며 일정한 액체 수준의 물 탱크를 통해 중력으로 물에 넣습니다. 보다 일반적인 조정 방법은 투약 파이프 라인의 밸브를 조정하고 로터 유량계의 표시를 관찰하고 복용량을 변경하는 것입니다. 이 투약 방법은 물 흡입 펌프 실이 물 공장에서 멀리 떨어진 사람들에게 적합합니다. 안전하고 신뢰할 수 있지만 솔루션 풀의 위치는 높습니다.
1 용해 탱크 2 용액 탱크 3 리프팅 펌프
4 워터 씰 박스 5 플로트 밸브 6 유량계
7 제어 밸브 8 압력 파이프

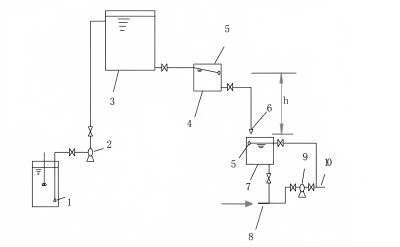
(2) 펌프 전에 투여
액체 약은 워터 펌프 흡입 파이프 또는 흡입 파이프 헤드에 첨가됩니다. 이 투약 방법은 안전하고 신뢰할 수 있으며 일반적으로 물 흡입 펌프 실이 수진에 가까운 사람들에게 적합합니다.
1 용해 탱크 2 리프팅 펌프 3 용액 탱크
4 레벨 워터 탱크 5 플로트 밸브 6 복용량 노즐
7 워터 씰 박스 8 흡입 파이프 9 펌프 10 압력 파이프

(3) 물 배출기 주입
고압 물은 노즐과 인후 사이의 진공 흡입을 통해 액체 약을 빨아들이는 데 사용되며 동시에 물의 잔류 압력으로 원수 파이프에 주입됩니다. 물 배출기는 효율이 낮고 착용하기 쉽지만 장비는 간단하고 사용하기 쉽고 솔루션 풀의 높이는 그다지 제한되지 않습니다.
1 용액 탱크 2 복용량 상자 3 깔때기
4 물 이젝터 5 압력 파이프 6 고압 수도관

(4) 계량 펌프로 투여
전통적인 방법은 원심 투여 펌프를 사용하여 약물 용액을 물에 전달하는 것입니다. 조정 방법은 투약 파이프 라인의 밸브와 로터 유량계 표시를 조정하는 것입니다. 나중에, 계량 펌프로 투약을 적용하는 것이 나타나기 시작했다. 계량 펌프를 사용하면 추가 계량 장비가 필요하지 않으며 응고 자동 제어 시스템에 적합하며 약물과 물의 혼합에 도움이됩니다.
1 용액 탱크 2 계량 펌프 3 압력 파이프
중소형 하수 처리장의 경우 펌프 전 중력 투약이 일반적으로 사용되어야합니다.
가장 큰 장점은 믹싱 장비를 제거 할 필요가 없다는 것입니다. 그러나 두 가지 점에 주목해야 할 점이 있습니다. 첫째, 공기 도입을 방지하기 위해 워터 씰 박스를 설정해야합니다. 둘째, 워터 펌프에서 반응 탱크로의 파이프 라인이 너무 길어서는 안됩니다. 그렇지 않으면 시약이 파이프 라인에 반응하여 반응 탱크로 쉽게 분해되는 명반 꽃을 형성하며, 파손 된 후에 다시 검색하기가 어렵고 응고 효과에 영향을 미칩니다.
대수 공급 또는 하수 처리장의 경우 펌프 후 압력 투약을 사용할 수 있습니다. 핵심 장비는 산성 저항성 계량 펌프로, 펌프 스테이션이 반응 탱크에서 멀리 떨어진 상황에 특히 적합합니다.
응고제 희석 계수 및 농도
폴리머, 특히 유기 중합체 응고제의 경우, 선형 인 경우, 긴 탄소 사슬에서 기능 그룹의 역할을 수행하기 위해서는 완전히 뻗어 있어야하므로 희석 용액을 준비해야합니다.
일반적으로, 유기 중합체 응고제의 농도는 약 0. 1%이며, 무기 중합체 응고제는 더 높을 수 있지만 첨가 후 혼합 효과는 보장되어야한다.
무기 중합체 응고제 PAC (폴리 기생 알루미늄 염화물)를 예로 들어, 제제의 품질을 보장 할 수없는 경우 농도가 너무 낮아서는 안됩니다.
이는 PAC 용액의 농도가 너무 낮을 때, 용액의 pH 값이 어느 정도 상승하여 낮은 용해도 생성물을 갖는 일부 금속 이온이 산화물 형태로 침전되어 파이프 라인을 차단하는 불순물을 형성하기 때문이다.
시장에 공급되는 대부분의 PAC 요원은 알루미늄 외에 다른 금속 요소를 포함하는 미네랄 원료로 만들어진 것으로 이해됩니다. 비용을 통제하기 위해 일부 제조업체는 불순물 제거 과정을 단순화하여 궁극적으로 PAC 완제품에 상당한 양의 다른 금속 이온이 존재하게됩니다.
투약 포인트 선택
(1) 여러 지점 또는 한 지점에서 화학 물질을 추가 할 수 있습니다. 그러나 투여 지점은 층류 흐름 영역에 설정되어야합니다. 동시에, 거주 시간을 연장하고 응고 반응 효과를 향상시키기 위해, 반응 탱크는 배플에 내장되거나 파티션이 장착되어야한다.
(2) 작업 단순화의 관점에서, 현재 사용되는 전통적인 방법 인 일회성 추가를 사용할 수 있습니다. 시약의 양을 절약하고 응고 효과를 향상 시키려면 배치 첨가를 사용할 수 있습니다. 즉, 혼합 장비 전에 한 부품을 추가하고 혼합 장비 후에 한 부품을 추가 할 수 있습니다. 이 방법이 일회성 첨가보다 우수한 이유는 상이한 입자 크기의 입자 사이의 접촉 충돌 응고 속도가 균일 입자 사이의 충돌 응고 속도보다 크기 때문입니다.
(3) 필요한 모든 응고제는 처리 된 물의 일부에 첨가 될 수 있으며, 충분한 혼합 후에는 약물 첨가없이 물의 다른 부분과 혼합 될 수있다. 이 방법은 또한 다른 입자들 사이의 충돌 응고 속도를 증가시킬 수 있지만 복잡한 프로세스의 단점도 있습니다.
응고제 추가에는 일반적으로 세 가지 점이 있습니다.
전처리 단계 : 전처리 단계에서 응고제를 첨가하는 목적은 전처리 효과를 강화하고, 전처리의 제거 효율을 높이고, 미생물의 성장을 방해하는 폐수에서 독성 물질을 제거하고, 후속 생물학적 치료 구조의 부담을 줄이고 생물학적 치료의 영향을 보장하는 것입니다.
생화학 적 치료 단계 : 생화학 적 처리 단계에서 응고제의 첨가는 일반적으로 미생물의 응집을 증가시켜 활성화 된 슬러지가 후속 진흙 물 분리 시설에서보다 철저하게 분리 될 수 있도록하는 것이다.
깊은 처리 단계 : 생화학 적 치료 후 응고제의 첨가는 주로 폐수에서 나머지 비 생분해 성 오염 물질을 제거하는데, 이는 폐수가 치료 후 표준을 충족시키기위한 보장 조치입니다.
투약 시스템 설계의 핵심 사항
(1) 투약실, 약물 저장 및 소독 염소화 실을 함께 구축하는 것을 고려하십시오. 이 설계는 운영 및 관리를 촉진하고 노동 강도를 줄이며 투자를 절약하기위한 것입니다.
(2) 액체 저장 탱크의 부피는 2 시간 동안 액체 공급을 보장하기 위해 최적화되어야한다. 시간이 너무 길면 액체 저장 탱크의 부피가 크고 더 많은 공간을 차지합니다. 시간이 너무 짧으면 작업이 번거 롭습니다. 투약량이 작 으면 용해 탱크와 하나의 탱크 나 상자에 결합 할 수 있습니다.
(3) 약물 저장의 저장 용량은 특정 상황에 따라 결정되어야한다. 약물의 공급이 충분하고 운송이 편리한 경우 최대 복용량에 20 ~ 30 일을 저장하는 것으로 간주 될 수 있습니다. 약물 공급 조건이 열악한 경우 최대 복용량에 60 ~ 80 일을 저장하는 것으로 간주 될 수 있습니다.
(4) 펌프 투약이 사용되는 경우, 투약 시스템은 가능한 한 펌프 실에 가깝습니다.
(5) 워터 파이프에 삽입 된 투여 파이프의 깊이는 일반적으로 물 입구 파이프 직경의 1/3 내지 1/4이다. 부드러운 투약을 보장하기 위해 투여 파이프 콘센트의 방향은 물 입구 파이프의 물 흐름 방향과 일치해야합니다.
투약 시스템의 파이프 피팅은 부식성 재료로 만들어야합니다.
